Description
Factory Service Manual For Wacker-Neuson Electro Hydraulic Power Unit. Manual Contains Illustrations, Instructions, Diagrams For Step By Step Remove And Install, Assembly And Disassembly, Service, Inspection, Repair, Troubleshooting, Tune-Ups.
Format: PDF
Language: English
Pages: 74
Issued: 2014
Bookmarks: Yes
Searchable: Yes
Wiring Diagrams: Yes
Hydraulic Diagrams: Yes
Model
Wacker-Neuson Electro-Hydraulic Power Unit
HPU8
From serial number WNCA0101VPAL00160
Contents
-OPERATION
Notices On This Service Manual
Identification Of Warnings And Dangers
Explanation Of Symbols And Abbreviations
Warranty And Liability
Labels
Overview
Outside View Of Control Box
Overview Of Components
Indicator Lights And Warning Lights (Overview)
-TECHNICAL DATA
Models And Trade Names
Electric Motor
Tires
Hydraulic System
Noise Emissions
Vibration
Weight
Tightening Torques
Dimensions
-MAINTENANCE
Information On Maintenance
Fluids And Lubricants
Maintenance Plan
Cooling System
Hydraulic System
Maintenance Of Attachments
Electrical System
Tires
Maintenance Of The Lifting Point
Cleaning And Maintenance
Putting Out Of Operation/Back Into Operation
Permanently Putting Out Of Operation
-ENGINE
Overview
-HYDRAULIC SYSTEM
How It Works
Overview Of Components
Breather Filter (Hydraulic Oil Reservoir)
Troubleshooting The Hydraulic System
-ELECTRICAL SYSTEM
Important Information Regarding The Electrical System
Ohm’s Law (Current, Voltage, Resistance); Power
Measuring Equipment, Measuring Methods
Overview Of Components
Switch Box With Protective Switching Device ABB
Switch Box With Protective Switching Device PILZ
Control Box Malfunctions
-DIAGRAMS
Hydraulics Diagram
Wiring Diagram Legend (Applies To Protective Switching Device ABB And PILZ)
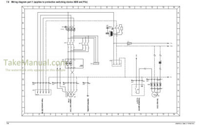
Wiring Diagram Part 1 (Applies To Protective Switching Device ABB And PILZ)
Wiring Diagram Part 2 (Applies To Protective Switching Device ABB And PILZ)
Wiring Diagram Part 3 (Applies To Protective Switching Device ABB)
Wiring Diagram Part 3 (Applies To Protective Switching Device PILZ)
SPECIAL TOOLS PAL
What you get
You will receive PDF file with high-quality manual on your email immediately after the payment.





Reviews
There are no reviews yet.