Description
Factory Service Manual For Wacker-Neuson Track Excavator. Manual Contains Illustrations, Instructions, Diagrams For Step By Step Remove And Install, Assembly And Disassembly, Service, Inspection, Repair, Troubleshooting, Tune-Ups.
Format: PDF
Language: English
Pages: 270
Issued: march 2016
Bookmarks: Yes
Searchable: Yes
Wiring Diagrams: Yes
Hydraulic Diagrams: Yes
Model
Wacker-Neuson Track Excavator
EZ53
Contents
-OPERATION
Information On This Service Manual
Identification Of Warnings And Dangers
Designated Use And Exemption From Liability
Labels
Machine Overview
Engine Compartment (Overview)
Chassis Overview
Raising The Cabin
Towing The Machine
Fire Extinguisher
-TECHNICAL DATA
Chassis
Engine
Hydraulic System
Travel Gear And Swivel Unit
Maximum Speed
Traveling Drive
Tracks
Stabilizer Blade
Electrical System
Noise Levels
Vibration
Coolant Compound Table
Weight Indications
Hose Identification Code
Tightening Torques
Model Ez53 Dimensions
Model Ez53 Dimensions VDS
Lift Capacity Tables
Kinematics
Measuring Live Ring Tolerance
-MAINTENANCE
Fluids And Lubricants
Maintenance Overview
Introduction
Safety-Relevant Parts
Fuel System
Engine Lubrication System
Cooling System
Air Filter
Washer System
V-Belt
Air Conditioning
Replace The Crankcase Breather Filter
Replace The Fuel-Burner Glow Plug
Pressure Check
Test Report
Hydraulic System
Traveling Drive
Tracks
Overview Of Lubrication Points
Electrical System
Battery
Cabin
General Maintenance
-ENGINE
Perkins 4Q4F-22T Tier IV/4Q4D-22T Tier III
-HYDRAULIC SYSTEM
Hydraulic Pump
Main Valve Block
Drive Counterbalancing System
Regeneration – Stick Section
Bucket Pre-Tension
Flow Rate Adjustment Of Auxiliary Hydraulics
Pilot Valves
Valves
Traveling Drive
Swivel Unit
Swivel Joint
Breather Filter
Malfunctions Of The Hydraulic System
-ELECTRICAL SYSTEM
Ohmic Law (Current, Voltage, Resistance); Power
Measuring Equipment, Measuring Methods
Cable Color Coding
Relays
Electric Units
Alternator
Starter
Legend Of Wiring Harness For Engine
Switch Wiring Harness Legend
Switch Wiring Harness
Cabin Roof Wiring Harness
Armrest Wiring Harness Legend
Armrest Wiring Harness
Wiring Harness For Proportional Controls 4Th Control Circuit (Legend)
Wiring Harness For Proportional Controls 4Th Control Circuit
Telematik Wiring Harness
Fuel-Filling Pump Wiring Harness
Boom Working Light Cable
Immobilizer Cable
Cable For 4Th Control Circuit Valve
Rotating Beacon Cable
Machine Travel Signal Adapter Cable
Hydraulics Diagram
Hydraulics Diagram
Hydraulics Diagram (Options)
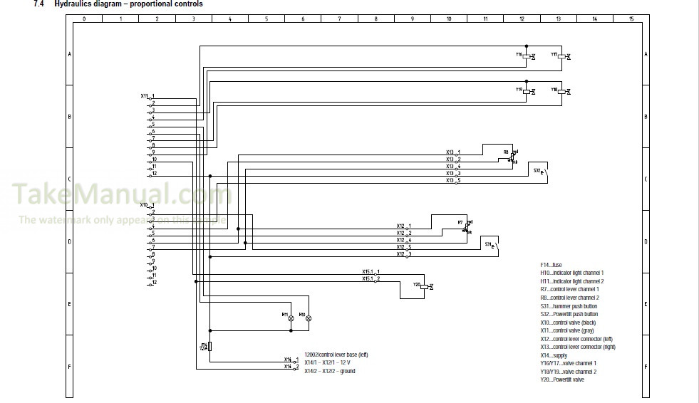
Hydraulics Diagram – Proportional Controls
Main Valve Block Diagram
Electrical Diagram
-OPTIONS
Air Conditioning
Air-Suspension Seat
Counterweight
Long Stick
Control Circuit (Pipework) Connections For Grab
3Rd Control Circuit Connections
Connections For Auxiliary Hydraulics
Vantage Fuel-Filling Pump
Service Valve
Safe Load Indicator Basic
Safe Load Indicator “Advanced”
Safe Load Indicator Pressure Switch
3Rd Control Circuit
Electric Auxiliary Hydraulics
Auxiliary Hydraulics Shock Cartridge
3Rd Control Circuit Shock Cartridge
Immobilizer
Proportional Controls
Telematic
What you get
You will receive PDF file with high-quality manual on your email immediately after the payment.







Anonymous (verified owner) –