Description
Factory Service Manual For Wacker-Neuson Compact Track Loader. Manual Contains Illustrations, Instructions, Diagrams For Step By Step Remove And Install, Assembly And Disassembly, Service, Inspection, Repair, Troubleshooting, Tune-Ups.
Format: PDF
Language: English
Pages: 223
Issued: 2009
Bookmarks: Yes
Searchable: Yes
Wiring Diagrams: Yes
Hydraulic Diagrams: Yes
Model
Wacker-Neuson Compact Track Loader
1101C
1101CP
Contents
-OPERATION
Important Information On This Service Manual
Identification Of Warnings And Dangers
Designated Use And Exemption From Liability
Type Labels And Component Numbers
Machine Overview
Cab Overview
Cab (Legend)
Round Indicating Instrument Overview
Round Indicating Instrument (Legend)
D Maintenance Accesses
Engine Compartment Overview
Radiator Cover Overview
Chassis Overview
Tilting The Cab
Towing The Machine
-SPECIFICATIONS
Chassis
Engine
Travelling Drive
Brakes
Work Hydraulics
Pilot Control
Additional “Power Flow” Control Circuit (CP)
Electric Units
Tracks
Noise Levels
Vibration
Coolant Compound Table
Dimensions
Model-Specific Tightening Torques
General Tightening Torques
Fluids And Lubricants
Maintenance Label
Maintenance Plan (Overview)
Introduction
Fuel system
Engine lubrication system
Cooling system
Air filter
V-belts
Pressure check
Test report 1101c
Test report 1101 CP
Hydraulic system
Undercarriage maintenance
Tracks
Replacing tracks
Travelling drive
Lubrication work
Electrical system
General maintenance work
Engine
Engine
Fuel System
Checking And Adjusting Valve Clearance
Checking And Adjusting The Fuel Injectors
Replacing The Injection Pump/Setting Fuel Injection Time
Adjusting Engine Revs
Compression Pressure
Removing/Mounting The Cylinder Head
Sealing The Breather Valve
Sealing The Intake/Exhaust Manifold
Oil Pressure Switch
Switching Off Minus Compensation
Turbocharger
-HYDRAULIC SYSTEM
Rexroth Aa20 Vg45 Hydraulic Pump
Main Valve Block
Hydraulic Control
Travelling Drive
Valves
Breather Filter
Auxiliary Hydraulics Connections
Quickhitch System
Emergency Lowering
Troubleshooting In The Hydraulic System
Hydraulics Diagram Iso Standard
Hydraulics Diagram H Controls With Options
-ELECTRICAL SYSTEM
Ohm’s Law (Current, Voltage, Resistance); Power
Measuring Equipment, Measuring Methods
Cable Color Coding
Relays
Electric Units
Round Indicating Instrument Overview
Switches: Overview
Alternator
Starter
Wiring Diagram (Legend)
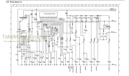
Wiring Diagram (1)
1101C Engine – Chassis Wiring Harness 1000169726 (Legend)
1101C Engine – Chassis Wiring Harness 1000169726
1101CP Engine – Chassis Wiring Harness 1000175467 (Option)
1101C Cab Wiring Harness 1000169725 Legend)
1101C Cab Wiring Harness 1000169725
1101CP Cab (Option) Wiring Harness 1000175466 (Legend)
1101CP Cab Wiring Harness 1000175466 (Option)
Front Lights Wiring Harness And Legend 1000169728
Wiring Harnesses 1000175462: STVO Austrian Road Traffic Regulations + 1000175463: Cab STVO Austrian Road Traffic Regulations (Legends)
Wiring Harnesses 1000175462: STVO Austrian Road Traffic Regulations And 1000175463: Cab
Wiring Harness 1000171481: Attachment Control (Option)
Cab Door (Option) Legend And Wiring Harness 1000175468
Rear Cab (Option) Legend And Wiring Harness 1000175464
-OPTIONS
Rear Working Light
Bp – Biohyd SE 46
Biodegradable Oil Panolin
Rearview Mirror Package
Extra Weight
Drive Interlock (Antitheft Protection)
Rotating Beacon
Crane-Handling Bracket
Dual Parallel Bucket Lift (Switched On For Up And Down Movements)
8/2 Directional Valve – H Controls (Work Hydraulics Lock)
Hydraulic Quickhitch System (HQS) Option
Power Flow Valve (1101 CP)
Power Flow Ports
Speed Control Valve (1101Cp)
Load Stabilizer Valve
Attachment Controls
Backup Warning System
Side Window
Road Travel Certification
What you get
You will receive PDF file with high-quality manual on your email immediately after the payment.







Reviews
There are no reviews yet.