Description
The Factory Technical Manual for the John Deere compact utility tractor. Includes detailed illustrations, instructions, and diagrams that facilitate step-by-step processes for the removal and installation, assembly and disassembly, servicing, inspection, repair, troubleshooting, tune-ups.
Pub.No: TM126919
Issued: january 2013
Language: English
Pages: 1399
Bookmarks
Searchable
Wiring Diagrams
Hydraulic Diagrams
Upon successful payment, you shall promptly receive a PDF file delivered to your email.
Models
John Deere Compact Utility Tractor
1023E
1025R
1026R
Contents
-GENERAL INFORMATION
Safety
General Specifications
Fuel and Lubricants
Serial Number Locations
Features and Accessories
-ENGINE REPAIR
Engine
Cooling System
-FUEL AND AIR REPAIR
Fuel System
Air Intake and Exhaust Systems
Speed Control Linkage
-ELECTRICAL REPAIR
Battery, Starter and Alternator
Electrical System Components
Wiring Harness
-POWER TRAIN REPAIR
Transmission
Rear PTO Driveshaft
Differential
Final Drives
Mechanical Front Wheel Drive
-STEERING AND BRAKE REPAIR
Steering Repair
Brake Repair
-HYDRAULICS REPAIR
Hydraulic Pump and Filter
Rockshaft
Selective Control Valve
-MISCELLANEOUS REPAIR
Wheels
3-Point Hitch
Hood
Mid-Mount Lift
-OPERATORโฒS STATION REPAIR
Seat and Support
ROLL-GARD
Operator Platform
Fenders
-OPERATIONAL CHECKOUT PROCEDURES
Operational Checkout Procedures
-ENGINE OPERATION, TESTS, AND ADJUSTMENTS
Component Location
Theory of Operation
Diagnosis, Tests, and Adjustments
-FUEL AND AIR OPERATION, TESTS, AND ADJUSTMENTS
Component Location
Theory of Operation
Diagnosis, Test and Adjustments
-ELECTRICAL SYSTEM OPERATION, TESTS, AND ADJUSTMENTS
Component Location
Theory of Operation
Diagnosis, Test and Adjustments
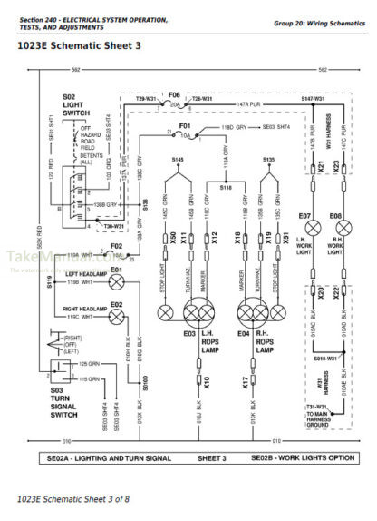
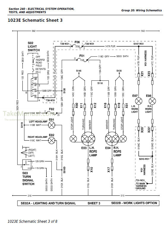
Wiring Schematics
Connector Information
-POWER TRAIN OPERATION, TESTS, AND ADJUSTMENTS
Component Location
Theory of Operation
Diagnosis, Test and Adjustments
-STEERING AND BRAKE OPERATION, TESTS, AND ADJUSTMENTS
Component Location
Theory of Operation
Diagnosis, Test and Adjustments
-HYDRAULIC SYSTEM OPERATION, TESTS, AND ADJUSTMENTS
Component Location
Theory of Operation
Diagnosis
Hydraulic Tests
Adjustments
Hydraulic Schematics
-SERVICE TOOLS
Dealer Fabricated Tools
Service Tools and Kits







Reviews
There are no reviews yet.