Description
The Factory Service Manual for the JCB telescopic handler. Includes detailed illustrations, instructions, and diagrams that facilitate step-by-step processes for the removal and installation, assembly and disassembly, servicing, inspection, repair, troubleshooting, tune-ups.
Pub.No: 9803/3690-10
Issued: issued 2004
Language: English
Pages: 733
Searchable
Wiring Diagrams
Hydraulic Diagrams
Upon successful payment, you shall promptly receive a PDF file delivered to your email.
Models
JCB Mini Loadall Telescopic Handler
520-40
Serial No. from 1012000
524-50
527-55
Serial No. from 1068000
Contents
-GENERAL INFORMATION
Introduction
Standard Torque Settings
Service Tools
Service Consumables
Terms and Definitions
-CARE AND SAFETY
Safety Notices
-MAINTENANCE
Routine Maintenance
-ATTACHMENTS
Service Procedures
-BODY AND FRAMEWORK
Service Tools
Basic Operation
Fault Finding
Service Procedures
Boom
Inner Boom
Compact Q-Fit Tool Carrier
Cab
Engine Cover
Engine Cover Lock
Counterweight
Underfloor Cover
Load Moment Indicator (LMI)
-ELECTRICS
Service Tools
Technical Data
Basic Operation
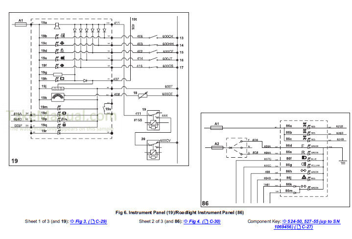
Schematic Circuits
Service Procedures
Alternator
Alternator (JCB Dieselmax Engine)
Starter Motor
Starter Motor (JCB Dieselmax Engine)
Harness Data
-CONTROLS
Manual Control Levers
Servo Control Lever
-HYDRAULICS
Service Tools
Technical Data
Basic System Operation
Schematic Circuits
Circuit Descriptions
Fault Finding
Service Procedures
Test Procedures
Main Services Pump
Transmission Pump
Transmission
Control Valve Block
Rams
-TRANSMISSIONS
Service Tools
Technical Data
Basic Operation
Service Procedures
Propshafts
Front Axles
Rear Axles
Transfer Gearbox
-BRAKES
Technical Data
Service Procedures
Service Brake Calliper
Service Brake Valve
Service Brake Pedal
Park Brake Calliper
Park Brake Brake Disc
-STEERING
Service Tools
Technical Data
Circuit Description
Electrical Connections
Fault Finding
Service Procedures
Power Track Rod
Steer Rams
Steer Mode Valve
Steer Mode Control Unit
Hydraulic Steer Unit
-ENGINE
Service Tools
Technical Data
Electrical Connections
Engine
Air Filter
Exhaust Assembly
Radiator Assembly






Reviews
There are no reviews yet.