Description
Factory Repair Manual For Hyster Forklift Truck. Illustrations, Instructions, Diagrams For Step By Step Remove And Install, Assembly And Disassembly, Service, Inspection, Repair, Troubleshooting, Tune-Ups.
Format: PDF (ZIP File)
Language: English
Wiring Diagrams: Yes
Model
Hyster Pallet Truck
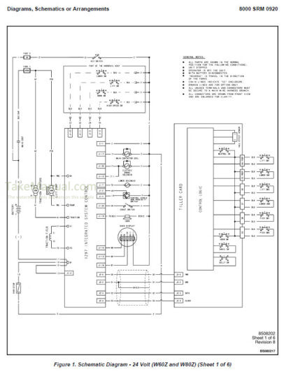
W60Z
W65Z
W80Z
B229
Contents
AC Motor Repair
Battery Indicators
Brakes
Capacities And Specifications
Curtis 1297 Transistor Motor Controller
Diagrams
Electrical System
Frame
Lifting Mechanism
Master Drive Unit
Metric And Inch SAE Fasteners
Periodic Maintenance
Steering Mechanism
Walkie Hydraulic Systems
What you get
You will receive PDF file with high-quality manual on your email immediately after the payment.







Reviews
There are no reviews yet.