Description
Factory Service And Maintenance Manual For Hyster Sit Drive Electric Tow Tractor. Illustrations, Instructions, Diagrams For Step By Step Remove And Install, Assembly And Disassembly, Service, Inspection, Repair, Troubleshooting, Tune-Ups.
Format: PDF
Language: English
Pages: 28
Number: 4279936 (march 2020)
Searchable: Yes
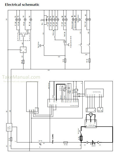
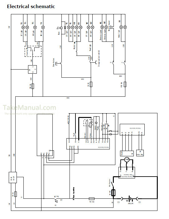
Wiring Diagrams: Yes
Model
Hyster Sit-Drive Electric Tow Tractor
T3.0UT (A3C9)
Contents
DESCRIPTION OF SYMBOLS
-MAINTENANCE
Precautions During Maintenance
Setting Up A New Truck
Battery Use And Maintenance
Daily Inspection
Periodic Inspection And Maintenance
-REPAIR
Driving System
Steering System
Brake System
Electrical System
-TROUBLESHOOTING
Mechanical Breakdowns
Fault Codes
-TRUCK STORAGE AND TRANSPORTATION
Loading And Unloading
Transportation Of Truck
Storing The Truck
What you get
You will receive PDF file with high-quality manual on your email immediately after the payment.






Reviews
There are no reviews yet.