Description
Factory Repair Manual For Hyster Forklift Truck. Illustrations, Instructions, Diagrams For Step By Step Remove And Install, Assembly And Disassembly, Service, Inspection, Repair, Troubleshooting, Tune-Ups.
Format: PDF (ZIP File)
Language: English
Hydraulic Diagrams: Yes
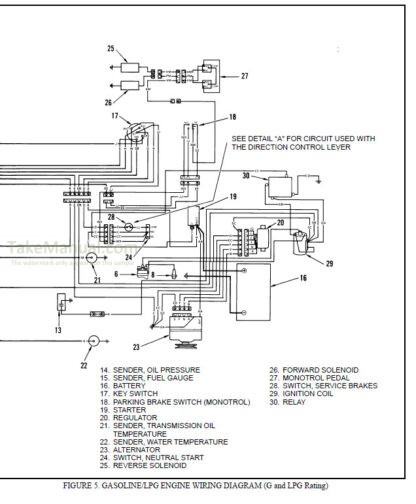
Wiring Diagrams: Yes
Model
Hyster Forklift Truck
S1.25XL
S1.50XL
S1.75XL
B010
Contents
Brake System
Cooling System
Diagrams
Drive Axle Wheel Bearing And Mounts Of Axle Housing
Electrical Gauges
Electrical System Of Mazda M4-121G Gasoline LPG Engine
Electrical Warning Devices
Fasteners
Frame And Connected Parts
Hydraulic System And gear Pump Assembly
Lift Cylinders In Masts
Main Control Valve And Auxiliary Solenoid Valve
Maintenance
Mazda M4-121G Engine
Single Speed Powershift Transmission
Specifications
Steering Axle
Steering Housing And Steering Control Unit
The Carburetor Mazda M4-121 G Engine
The LPG Fuel System
Tilt Cylinders
Transmission
Vista Mast
What you get
You will receive PDF file with high-quality manual on your email immediately after the payment.







Reviews
There are no reviews yet.