Description
Factory Service Manual For Hyster Forklift Truck. Illustrations, Instructions, Diagrams For Step By Step Remove And Install, Assembly And Disassembly, Service, Inspection, Repair, Troubleshooting, Tune-Ups.
Format: PDF
Language: English
Pages: 88
Number: 4313915 (issued 2021)
Bookmarks: Yes
Searchable: Yes
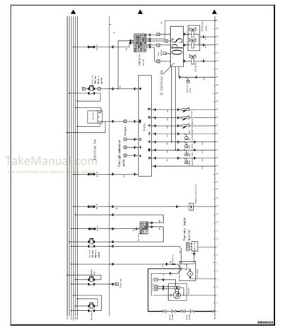
Wiring Diagrams: Yes
Hydraulic Diagrams: Yes
Model
Hyster Forklift
H4.0UT (H80UT
H4.5UT (H90UT)
H5.0UT (H100UT)
[A3C6]
H5.0UT6 (H110UT)
H6.0UT6 (H135UT)
H7.0UT6 (H135UT)
[A3D0]
Contents
-FORKLIFT TRUCK MAIN PARTS
Description of Forklift Truck Main Parts
-FORKLIFT MAIN TECHNICAL PARAMETERS
Main Technical Parameters
-POWER SYSTEM
Engine System
Hydraulic Transmission Case and Torque Converter
-DRIVE AXLE
4-5T
5-7T
-STEERING SYSTEM
Steering Axle
-BRAKE SYSTEM
Overview
Brake Master Cylinder
Wheel Brake
Automatic Clearance Regulator
Manual Brake
Adjustment of Brake Pedal
Maintenance
-HYDRAULIC SYSTEM
Main Pump
Control Valve and Bypass Valve
Hydraulic System Main Oil Circuit
Lift Cylinder
Speed Limit Valve
Main Oil Pump
Oil Filling Instructions
Troubleshoot Hydraulic System
-LIFTING SYSTEM
Safety Procedures When Working Near Mast
Inside and Outside Masts
Bracket
Adjust
-ELECTRICAL SYSTEM
Overview
Electrical Box
Battery
Dash Display,
Electrical Schematics
Troubleshoot Electrical System
-DRIVE, OPERATION, AND ROUTINE MAINTENANCE OF FORKLIFT TRUCK
Transporting the Forklift Truck
Towing
Long-Term Storage of Forklift Truck
Maintenance Procedures Prior to Operation
Cooling System
Oils Used for Forklift Truck
What you get
You will receive PDF file with high-quality manual on your email immediately after the payment.







Reviews
There are no reviews yet.