Description
Factory Repair Manual For Hyster Pallet Truck. Illustrations, Instructions, Diagrams For Step By Step Remove And Install, Assembly And Disassembly, Service, Inspection, Repair, Troubleshooting, Tune-Ups.
Format: PDF
Language: English
Wiring Diagrams: Yes
Model
Hyster Pallet Truck
B80Z
A233
Contents
Brakes
Capacities And Specifications
Curtis 1297 Transistor Motor Controller
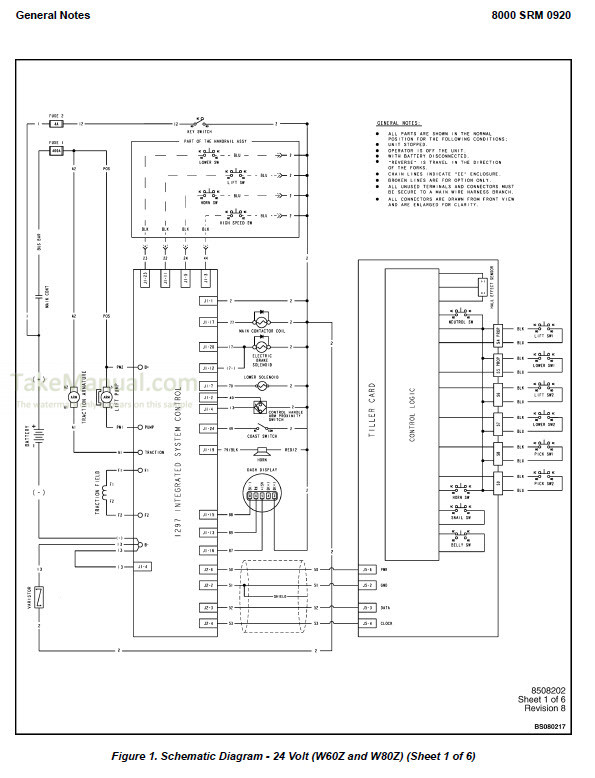
Diagrams
Electrical System
Frame
Industrial Battery
Lifting Mechanism
Master Drive Unit With EPAS
Metric And Inch SAE Fasteners
Periodic Maintenance
Steering Mechanism
Walkie Hydraulic Systems
What you get
You will receive PDF file with high-quality manual on your email immediately after the payment.







Reviews
There are no reviews yet.