Description
The Factory Service Manual for the Ford New Holland Versatile tractor. Includes detailed illustrations, instructions, and diagrams that facilitate step-by-step processes for the removal and installation, assembly and disassembly, servicing, inspection, repair, troubleshooting, tune-ups.
Pub.No: 40025631
Language: English
Pages: 382
Bookmarks
Searchable
Wiring Diagrams
Hydraulic Diagrams
Upon successful payment, you shall promptly receive a PDF file delivered to your email.
Models
Ford New Holland Versatile Biderectional Tractor
256
276
276II
Contents
Introduction
Hoists and Jacks
Specifications
Accessories
Air Cleaner
Axles
Brakes
Cab
Closed Cab
Open Cab
General Features
Capacities
Cooling System
Dimensions
Drawbar
Cab End
Engine End
Electrical System
Engine
Tractor
Tractor
Common Specifications
Frame
Hydraulic System
Hydrostatic System
Options
Power Take-Off
Steering
Three-Point Hitch
Engine End
Tires
Ford
Transmission
Wheels
Wheel Spacing
Fuels, Fluid$ and Lubricants
Fuels
Fluids
Coolant
Hydraulic Oil
Transmission Fluid
Brake Fluid
Lubricants
Grades
Engine Oil
Differentials and Dropboxes
PTO Dropbox
Grease
Lubrication
General
Belts and Filters
General
Storage
General
Engine Storage
Tractor Storage
Storing Batteries
Preparation After Storage
Engine Startup After Storage
Introduction
Engine Specifications
Tractor Engine
Torque Values
Troubleshooting
Engine Replacement
Special Tools and Equipment
Engine Removal
Engine Installation
Engine Mount Replacement
Special Tools and Equipment
Front Mount
Rear Mounts
Fuel System
General
Troubleshooting
Inspection Procedures
Throttle Linkage Adjustment
Fuel Shutoff Solenoid Check
Purging Fuel Lines and Hoses
Priming the Fuel System
Fuel Hose Replacement
Supply and Return Hoses
Breather and Crossover Hose
Fuel Tank Replacement
Removal
Installation
Fuel Gauge Sender Replacement
Cold Start
Inspection Procedures
Cold Start Cylinder Replacement
Cold Start Valve Replacement
Cooling System
Troubleshooting
Coolant Temperature Sender
Coolant Hose Replacement
Top Radiator Hose
Bottom Radiator Hose
Radiator Replacement
Removal
Installation
Flushing the Cooling System
Special Tools and Equipment
Backflushing Procedure
Air Intake and Exhaust System
Troubleshooting
Inspection Procedures
Air Cleaner Restriction Indicator
Air Cleaner Replacement
Removal
Installation
Muffler Replacement
Removal and Installation
Lubrication System
General
Troubleshooting
Inspection Procedures
Oil Pressure Sender
Engine Oil and Filter Change
Priming the Lubrication System
Fan Drive Belt
Fan Drive ยทBelt Replacement
Fan and Alternator Drive Belt
Ford Engine
Ford Engine Maintenance
Transfer Gearbox Repair
Introduction
Removing the Transfer Gearbox
Removing the Shifter Forks and
Shaft
Disassembling the Gearbox Gears,
Shafts, and Bearing
Assembling the Gearbox
Installing the Sliding Forks
Replacing the Transfer Gearbox on the Tractor
PTO Clutch
Removing the PTO Clutch
Assembly
Disassembling the PTO Clutch
Assembling the PTO Clutch
Adjusting the PTO Clutch
Engine End PTO Drop Box Service
Removing the Drop Box
Disassembling the Drop Box
Assembling the Drop Box
Cab End Two-Speed PTO Drop Box
Service
Removing the Drop Box
Disassembling the Drop Box
Assembling the Drop Box
Transmission Removal
Transmission Disassembly
Removal of the Countershaft
Removal of the Input Gear and Bearing
Assembly
Gearbox Assembly
Assembly of the Output Shaft
Input Gear Assembly
Installation of the Countershaft
Shifter Forks and Cam Plate
Cam Plate Mount Adjustment
Transmission Installation
Shift Controls
Splitter Box Service
Removing the Splitter Box from the
Tractor
Hydrostatic Pump Removal
Removing the Splitter Box
Splitter Box Disassembly
Disassembly of the Splitter Box Used on the Ford Engine
Reassembly of the Splitter Box
Ford Engine
Installation of the Splitter Box
Final Drive Drop Box Service
Axle Seals
Drop Box Removal and Disassembly
Drop Box Assembly
Hydraulic Disc Brake Service
Brake Caliper Removal
Brake Caliper Disassembly
Brake Caliper Assembly
Installation of the Brake Pads and Adjustment
Master Brake Cylinder Repair
Brake Rotor Replacement
Spicer Axle Maintenance Manual
HD Series
Introduction
Hydrostatic System
Testing
General
System Test
Pump Case Drain Test
Hydrostatic Pump
Charge Pump Relief Valve
Replacement
Charge Pump Overhaul
Control Valve Overhaul
Overhaul
Installation
Hydrostatic Pump Overhaul
Start-Up Procedure
Preparation
System Start-Up
Hydrostatic Motor
Removal
Valve Block Overhaul
Removal
Overhaul
High Pressure Relief Valve
Shuttle Valve
Chart Pressure Relief Valve
Installation
Hydrostatic Motor Overhaul
Disassembly
Assembly
Installation
Linkages
FNR Lever Adjustment
Eaton Hydraulics Repair
Information
Eaton Hydraulics Start-Up
Procedure
Eaton Hydraulics Troubleshooting
Information
How the System Works
Specifications and Data
Torque Values
Hydraulic Pump
Removal
Overhaul
Disassembly
Piston Block Disassembly
Camplite Disassembly
Compensator Disassembly
Inspection
Installation
Start-Up Procedure
Testing
Special Tools and Equipment
Hydraulic Pump Inlet Vacuum
Pump System High Pressure and
Flow
Pump Case Drain Test
Hydraulic System Charge-Up
Implement Control Valve Test
Steering System
Steering Valve
Eaton Hydraulics Repair Information
Inspection and Repair
Assembly
Installation
Testing
Special Tools and Equipment
Outlet Flow and Pressure
Signal Pressure
Steering System
Rotating Base Case Drain Flow
Hydraulic Rotating Base
Removal
Disassembly
Inspection
Assembly
Installation
Steering Cylinders
Installation
Bleeding
Implement Valve,
Removal
Cab End
Engine End
Implement Valve Disassembly
Valve Section Overhaul
Common Disassembly
Flow Divider Section
Disassembly
Inspection and Repair
Assembly
Three Point Hitch Solenoid Valve
Section (Optional)
Inspection and Repair
Assembly
Detent and Float Valve Section
Standard Valve Section
Implement Valve Assembly
Cab End
Engine End
Implement Control Linkage
Cab End
Control Rod Adjustment
Control Lever Adjustment
Pedal Adjustment
Flow Control Adjustment
Control Replacement
Flow Control Cable Replacement
Engine End
Cable Adjustment
Cable Replacement
Valve Control Replacement
Flow Control Rod Replacement
Filters
Return Filter
Suction Filter
Removal and Replacement
Hydraulic Oil Cooler
Hydraulic Reservoir
Three Point Hitch Specifications
Rear Three Point Hitch
Front Three Point Hitch
Torque Values
Special Tools and Equipment
System Function
Mechanical Components
Hydraulic Components
Rear Hitch Hydraulic Circuit
Front Hitch Hydraulic Circuit
Three Point Hitch Valve
Flow Control
Shuttle Valves
Three Point Hitch Solenoids
Electrical Components
Operator Controls
Controller
Feedback Potentiometer
Solenoids
Terminal Block
Adjustments and Maintenance
Mechanical Components
Hitch Category Conversion
Top Link Adjustment
Float Adjustment
Rear Hitch Sway Blocks Sway
Position
Front Hitch Sway Adjustment
Lift Link Adjustment
Electrical System
Lowering Flow Control Adjustment
Feedback Potentiometer Adjustment
Hydraulic System Adjustments
Lift Pressure Adjustment
Flow Adjustment: Raise
Troubleshooting Chart
Electrical System Testing
Special Tools and Equipment
Terminology
Electrical Test Procedures
Controller Power Circuit
Solenoid Common Power Circuit
Raise/Return Switch
Hitch Position Switch
Rockshaft Position Switch
Feedback Variable Current Circuit
Solenoid Common Up Circuit
Solenoid Common Down Circuit
Zener Diode Circuit
Test Verification
Hydraulic Testing
Special Tools and Equipment
Test Gauge Installation
Hydraulic Test Procedure
Hitch Valve Leakage Test
Troubleshooting Chart
Overhaul and Repair
Front Hitch Removal
Front Hitch Installation
Rear Hitch Removal
Rear Hitch Installation
Special Tools and Equipment
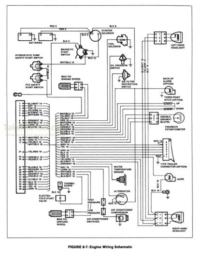
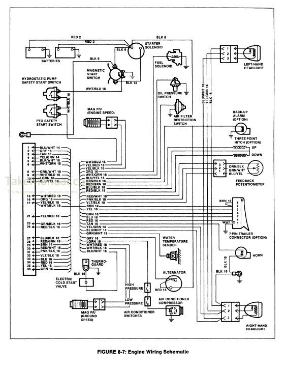
Wiring Diagrams
Charging Circuit
How the System Works
Troubleshooting
Battery Testing
Alternator Testing
Amperage Test
Alternator Replacement
Starting Circuit
How the System Works
Circuit Testing
Special Tools and Equipment
High Resistance Test
Testing an Inoperative Starter
Starter Motor Replacement
Cold Start Circuit
How the System Works
Troubleshooting
Circuit Testing
Special Tools and Equipment
Component and Circuit Test
Component Replacement
Thermal Sensing Switch Replacement
Ether Discharge Valve
Replacement
Block Heater
Engine Shutdown Circuit
How the System Works
Troubleshooting
Circuit Testing
Special Tools and Equipment
Testing
Fuel Solenoid Replacement
Indication and Warning Circuits
Gauges and Indicator Lights
Speedometer/Tachometer
Fuel Gauge
Engine Oil Pressure Light
Coolant Temperature Gauge
Alternator Light
Air Filter Restriction Light
Circuit Testing and Sensor
Replacement
Special Tools and Equipment
Coolant Temperature Circuit Test
Temperature Sender Replacement
Fuel Level Circuit Test
Testing Fuel Level Sender
Fuel Sender Replacement
Gauge Replacement
Lighting Circuit
How the System Works
Work Lamp Adjustment
Direction Adjustment
Aim Adjustment
Hazard Flashers and Turn Signals Protection Circuit
Exterior Lighting Fixture Replacement
Headlamp Sealed Beam Replacement
Hazard Warning Lamp Replacement
Hazard Warning Lamp Body Replacement
Taillamp Body Replacement
Windshield Wiper Motor
Blower Motor
Replacement
Three Point Hitch
Torque Values
Special Tools and Equipment
How the System Works
Air Conditioning System Tests
System Performance Test
Connecting the Gauges
Testing
System Leak Testing
Discharging the System
Compressor
Compressor Removal
Compressor Overhaul
Special Tools and Equipment
Inspection and Repair
Assembly
Compressor Installation
Compressor Oil Check
Condenser
Removal
Repair
Installation
Evaporator/Heater Core
Expansion Valve Replacement
Thermostatic Switch Replacement
Receiver/Dryer Replacement
Air Conditioning Hoses and Lines
Inspection
Replacement
Evacuating the System
Charging the System
Heater Hose Replacement
Heater Valve Replacement
Lubrication
Cab
Frame
Articulation Bushings Removal and
Inspection
Replacement of Bushings
Installation of Pivot Pins
Engine End Oscillation Cradle and
Bushing
Inspection








Reviews
There are no reviews yet.