Bobcat T40140 T40170 Service Manual Telescopic Handler A8GA11001- A8GB11001-

$19.95

Format: PDF
Instant Download
Lifetime Access
Language: English
Printable: Yes

Category: Tags: ,

Description

Repair Manual For Bobcat T40140, T40170 Telescopic Handler. Illustrations, instructions, diagrams for step by stepย remove and install, assembly and disassembly, service, maintenance, inspection, repair, troubleshooting, tune-ups.

Format: PDF
Language: English
Pages:862
Issued: february 2010
Bookmarks: Yes
Searchable: Yes
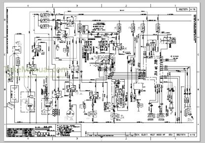
Wiring Diagrams: Yes
Hydraulic Diagrams: Yes

Model

Bobcat Telescopic Handler
T40140
T40170
S/N A8GA11001 & Above
S/N A8GB11001 & Above

Contents

Accumulator
Air Cleaner Service
Air Cleaner
Air Conditioning Service
Air Conditioning System Flow
Air Intake Cowling
Alternator
Approved Boom Stop
Attachment Frame
Axle And Differential
Axle Toe in
Axles (Front And Rear)
Basic Troubleshooting
Battery
Bobcat Telescopic Handler Identification
Boom Assembly
Boom Tray
Brake Light Switch
Brake Valve
Bucket Positioning Cylinder
Chain Checking And Adjusting Procedure
Components
Compressor
Condenser
Conversions
Dash Cover
Delivery Report
Drive Box
Driveshaft
Electrical System Information
End Boom
Engine And Engine Mounts
Engine Components And Testing
Engine Cooling System
Engine Cover
Engine Lubrication System
Engine Specifications Spec
Engine Speed Control
Engine Timing
Engine / Hydrostat Assembly
Evaporator / Blower Unit
Expansion Valve
Extension Cylinder
Fan Motor
Fender
Fire Prevention
Flow Control Valve
Flywheel And Housing Foreword
Frame Level Speed Switch
Frame Leveling Cylinder
Front Axle
Front Weight
Front Wiper Motor
Fuel System
Fuel Tank
Gear Pump
General Air Conditioning Service
Guidelines
Heater Assembly
Hydraulic / Hydrostatic Fluid Specifications
Hydraulic / Hydrostatic System
Hydraulic Connection Specifications
Hydraulic Control Valve
Hydraulic Reservoir
Hydraulic System Information
Hydrostatic Drive Motor
Hydrostatic Pump
Hydrostatic System Information
Inching Switch
Instrument Panel
Intermediate Boom
Joystick Panel
Joystick
Lift Cylinder
Lifting And Blocking The Telescopic Handler
Lights
Lubrication
Machine Torque Specifications
Main Relief Valve
Maintenance Safety
Muffler
Oil Cooler / Radiator
Oil Cooler
Operator Cab
Operator Seat
Parking Brake
Pedal Assembly
Pivot Link
Port Relief Valves
Pressure Reducing Valve
Pressure Switch
Quick Tach Cylinder
Quick Tach
Rear Axle
Rear Weights
Rear Wiper Motor
Receiver / Drier
Reconditioning The Engine
Regular Maintenance
Safety Instructions
Safety
Serial Number Location
Service Brake
Service Manual Revision
Service Schedule
Service Software
Spark Arrester Muffler
Stabilizer Control Valve
Stabilizer Cylinder
Stabilizer Frame
Starter
Steering Angle Adjustment
Steering Cylinder (Rear)
Steering Mode Valve Block
Steering Valve
Switch Panel
System Charging And Reclamation
System Troubleshooting Chart
Telescopic Handler Specifications
Temperature / Pressure
Tilt Cylinder
Top Wiper Motor
Torque Specifications For Bolts
Tow Valve
Towing The Telescopic Handler
Transporting The Telescopic Handler
Travel / Signal Lever
Troubleshooting
Troubleshooting
Tyre Maintenance
Wear Pads (Front)
Wear Pads (Rear)

What you get

You will receive PDF file with high-quality manual on your email immediately after the payment.