Description
Repair Manual For Bobcat T140 Compact Track Loader. Illustrations, instructions, diagrams for step by step remove and install, assembly and disassembly, service, inspection, repair, troubleshooting, tune-up.
Format: PDF
Language: English
Pages: 747
Issued: november 2010
Bookmarks: Yes
Searchable: Yes
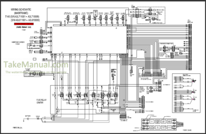
Wiring Diagrams: Yes
Hydraulic Diagrams: Yes
Model
Bobcat Compact Track Loader
T140
S/N A3L711001 – A3L719999
S/N A3L811001 – A3L819999
Contents
Alternator
Air Cleaner
Air Cleaner Service
BackUp Alarm System
Battery
Bobcat Interlock Control System
Bobcat Controller
BobTach
Brake
Bucket Position Valve
Camshaft And Timing Gears
Case Drain Filter
Calibration
Charge Pressure
Control Handle / Lever
Control Panel
Control Panel Setup
Control Pedals And Linkages
Control Pedals
Control System
Conversions
Crankshaft And Pistons
Cylinder
Cylinder Head
Diagnostics Service Codes
Drive Belt
Electrical/Hyd Controls
Electrical/Hydraulic Controls Reference
Electrical System Information
Engine Cooling System
Engine Information
Engine Lubrication System
Engine Specifications
Engine Speed Control
Flywheel And Housing
Flywheel Rpm Sensor
Front Auxiliary Hydraulic Coupler Block
Fuel System
Fuel Tank
Heater Coil
Heater Fan
Heating System
Heater Unit
Heater Valve
Hydraulic Connection Specifications
Hydraulic Control Valve
Hydraulic Fluid Reservoir
Hydraulic/Hydrostatic Filters
Hydraulic / Hydrostatic Fluid Specifications
Hydraulic/Hydrostatic System
Hydraulic Pump
Hydraulic System Information
Hydrostatic Motor
Hydrostatic Pump
Hydrostatic System Information
Instrument Panels
Lift Arms
Lift Arm Bypass Control Valve
Lift Arm Support Device
Lifting And Blocking The Loader
Lights
Loader Specifications
Loader Storage And Return To Service
Lubricating The Loader
Lubrication System
Main Relief Valve
Maintenance Clock
Muffler
Oil Cooler
Operator Cab
Operator Seat
Password Setup (If Equipped With Keyless Start)
Pivot Pins
Rear Auxiliary Deverter
Rear Door
Rear Grill
Regular Maintenance
Remote Start Tool
Seat Bar
Seat Bar Sensor
Service Pc (Laptop Computer)
Service Schedule
Spark Arrestor Muffler
Speed Sensors
Starter
Steering Drift Compensation
Stopping The Engine And Leaving The Loader
Torque Specifications For Bolts
Towing The Loader
Track Carriage Components
Traction Lock
Transporting The Loader On A Trailer
Troubleshooting
Window
What you get
You will receive PDF file with high-quality manual on your email immediately after the payment.






