Description
Repair Manual For Bobcat S220 Skid Steer Loader. Illustrations, instructions, diagrams for step by step remove and install, assembly and disassembly, service, maintenance, inspection, repair, troubleshooting, tune-up.
Format: PDF
Language: English
Pages: 1035
Issued: march 2009
Bookmarks: Yes
Searchable: Yes
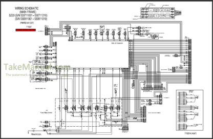
Wiring Diagrams: Yes
Hydraulic Diagrams: Yes
Model
Bobcat Skid Steer Loader
S220
S/N 530711001 & Above
S/N 530811001 & Above
Contents
Access Panel
Air Cleaner
Air Cleaner Service
Air Conditioning System Flow
Alternator
Back Up Alarm System
Battery
Blower Fan
Bobcat Controller
Bobcat Interlock Control System (Bics)
BobTach (Power) Block
BobTach
Brake
Bucket Position Valve
Cab Door
Calibration
Camshaft And Timing Gears
Case Drain Filter
Chaincase
Charge Pressure
Compressor
Condenser
Control Handle / Lever
Control Panel
Control Panel Setup
Control Pedals (Acs)
Control Pedals And Linkages
Control System (Acs)
Conversions Spec
Crankshaft And Pistons
Cylinder Head
Cylinder
Diagnostics Service Codes
Drive Belt
Drive Components
Electrical / Hydraulic Controls
Electrical System Information
Engine Cooling System
Engine Information
Engine Lubrication System
Engine Speed Control
Evaporator
Evaporator / Heater Unit
Expansion Valve
Final Drive Transmission (Chaincase)
Flywheel And Housing
Flywheel Rpm Sensor
Front Auxiliary Hyd Coupler Block
Fuel System
Fuel Tank
Heater Coil
Heater Valve
Hydraulic Connection Specs
Hydraulic Control Valve
Hydraulic Fluid Reservoir
Hydraulic Fluid Specifications
Hydraulic / Hydrostatic Filters
Hydraulic / Hydrostatic System
Hydraulic Pump
Hydraulic System Information
Hydrostatic Motor
Hydrostatic Motor Carrier
Hydrostatic Pump
Hydrostatic System Information
Instrument Panels
Joystick Control
Lift Arms
Lift Arm Bypass Control Valve
Lift Arm Support Device
Lifting And Blocking The Loader
Lights
Loader Specifications
Loader Storage And Return To Service
Lubrication System
Lubricating The Loader
Main Relief Valve
Maintenance Clock
Muffler
Oil Cooler
Operator Cab
Operator Seat
Password Setup (If Equipped With Keyless Start)
Pivot Pins
Rear Auxiliary Diverter Valve
Rear Door
Rear Grill
Receiver / Drier
Regular Maintenance
Remote Start Tool
Seat Bar
Seat Bar Sensor
Service Pc (Laptop Computer)
Service Schedule
Speed Sensor (Sjc)
Spark Arrestor Muffler
Starter
Steering Drift Compensation
Stopping The Engine And Leaving The Loader
System Charging And Reclamation
Thermostat
Tire Maintenance
Torque Specifications For Bolts
Towing The Loader
Traction Lock
Transporting Loader On A Trailer
Troubleshooting
Turbocharger
Window
What you get
You will receive PDF file with high-quality manual on your email immediately after the payment.






