Description
Repair Manual For Bobcat S220 Skid Steer Loader. Illustrations, instructions, diagrams for step by step remove and install, assembly and disassembly, service, maintenance, inspection, repair, troubleshooting, tune-up.
Format: PDF
Language: English
Pages: 1074
Issued: february 2006
Bookmarks: Yes
Searchable: Yes
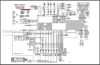
Wiring Diagrams: Yes
Hydraulic Diagrams: Yes
Model
Bobcat Skid Steer Loader
S220 Turbo
S220 Turbo High Flow
S/N 526211001 & Above
S/N 526311001 & Above
Contents
Advanced Control System (Acs)
Air Cleaner
Air Cleaner Service
Air Conditioning Service
Air Conditioning System Flow
Alternator
Basic Troubleshooting
Battery
Bics System
Blower Fan
Bobcat Interlock Control System (Bics)
BobTach
Brake
Bucket Position Valve
Calibration
Chaincase
Charge Pressure
Components
Compressor
Condenser
Control Handle
Control Panel
Control Pedals
Controller
Conversions
Cooling Fan
Cylinder
Diagnostics Service Code
Drive Belt
Drive Components
Electrical/Hydraulic Controls Reference
Electrical System Information
Engine
Engine Cooling System
Engine Lubrication System
Engine Specifications
Engine Speed Control
Evaporator
Evaporator/Heater Unit
Expansion Valve
Fan Gearbox
Final Drive Transmission (Chaincase)
Flywheel And Housing
Flywheel Rpm Sensor
Front Auxiliary Hyd Coupler Block
Fuel System
Fuel Tank
General Air Conditioning Service Guidelines
Heater Coil
Heater Valve
Hydraulic Connection
Hydraulic Control Valve
Hydraulic Fluid Reservoir
Hydraulic/Hydrostatic
Fluid Specifications Spec
Hydraulic/Hydrostatic Filter
Hydraulic/Hydrostatic System
Hydraulic Pump
Hydraulic System Information
Hydrostatic Motor
Hydrostatic Motor Carrier
Hydrostatic Pump
Hydrostatic System Information
Inside Access Panel
Instrument Panel
Lift Arms
Lift Arm ByPass Control Valve
Lift Arm Support Device
Lifting And Blocking The Loader
Lights
Loader Specifications
Lubricating The Loader
Main Relief Valve
Muffler
Oil Cooler
Operator Cab
Operator Seat
Power BobTach
Power BobTach Block
Pressure Relief Valve
Pressure Switch
Radiator
Rear Auxiliary Diverter
Rear Door
Rear Grill
Receiver/Drier
Regular Maintenance
Reconditioning The Engine
Remote Start
Safety
Seat Bar
Seat Bar Sensor
Service Pc (Laptop Computer)
Service Schedule
Speed Sensor
Starter
System Charging And Reclamation
System Troubleshooting Chart
Temperature/Pressure
Thermostat
Tire Maintenance
Torque Specifications For Bolts
Towing The Loader
Traction Lock
Transporting The Bobcat Loader
Troubleshooting
What you get
You will receive PDF file with high-quality manual on your email immediately after the payment.






