Description
Repair Manual For Bobcat CT120 Compact Tractor. Illustrations, instructions, diagrams for step by step remove and install, assembly and disassembly, service, maintenance, inspection, repair, troubleshooting, tune-up.
Format: PDF
Language: English
Pages: 675
Issued: september 2010
Bookmarks: Yes
Searchable: Yes
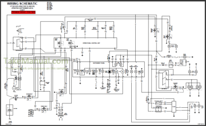
Wiring Diagrams: Yes
Hydraulic Diagrams: Yes
Model
Bobcat Compact Tractor
CT120
S/N A59A11001 & Above
Contents
Air Cleaner Service
Air Cleaner
Alternator Belt
Alternator
Auxiliary Control Valve
Axle And Differential
Axle Case
Axle Toe In
Battery
BobTach
Brake Case
Brake Pedal Assembly
Brake System
Camshaft And Timing Gears
Center Console Cover
Clutch Assembly
Clutch Housing
Clutch System
Compact Tractor Identification
Compact Tractor Storage And Return To Service
Console Cover
Conversions
Crankshaft And Pistons
Cruise Control
Ct Compact Tractor
Specifications
Cylinder
Cylinder Head
Delivery Report
Draw Bar Assembly
Draw Bar
Driveshaft
Electrical System Information
Engine Cooling System
Engine Cover
Engine Information
Engine Lubrication System
Engine Side Cover
Engine Speed Control
Fan
Fender
Fire Prevention
Firewall
Floor Mat
Floor Plate
Flow Control Valve
Flywheel And Housing
Foreword
Front Axle
Front Wheel Drive Case
Fuel Level Sender
Fuel System
Fuel Tank
Hood Lights
Horn
Hydraulic / Hydrostatic
Transmission System
Hydraulic Filter
Hydraulic Pump
Hydraulic System Information
Hydrostatic Pump Testing
Hydrostatic Pump
Hydrostatic System Information
Hydrostatic Transmission Case
Instrument Panel
Lubricating The Compact Tractor
Lubrication System
Main Relief Valve
Maintenance Safety
Mid Pto Control
Mls Valve
Oil Cooler
Operator Seat
Parking Brake System
Pivot Pins
Pto Safety Shield
Pto Switches
Rear Lights
Rear Pto Control
Right Joystick (If Equipped)
Right Joystick Valve (If Equipped)
Rock Shaft Lift Arms
Rock Shaft
Rops
Safety Instructions
Safety Interlock System Neutral
Start
Safety Interlock System Operating
Seat Belt
Seat Sensor
Separating The Tractor
Serial Number Locations
Service Brake
Service Manual Revision Smr
Service Schedule
Spark Arrestor Muffler
Spark Arrestor Muffler
Starter
Steering Axle Adjustment
Steering Cylinder
Steering Valve
Supporting The Compact Tractor On
Jackstands
Three Point Cylinder Control
Three Point Cylinder
Three Point Hitch Housing
Three Point Hitch Lower Link
Tire Maintenance
Torque Specifications For Bolts
Towing The Compact Tractor
Transmission / Differential Fluid
Specifications
Transmission
Transporting The Compact Tractor On A Trailer
Travel Control Pedal
Turn Indicators
Upper Cover
What you get
You will receive PDF file with high-quality manual on your email immediately after the payment.



