Description
Repair Manual For Bobcat A300 Skid Steer Loader. Illustrations, instructions, diagrams for step by step remove and install, assembly and disassembly, service, maintenance, inspection, repair, troubleshooting, tune-up.
Format: PDF
Language: English
Pages: 745
Issued: march 2006
Bookmarks: Yes
Searchable: Yes
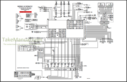
Wiring Diagrams: Yes
Hydraulic Diagrams: Yes
Model
Bobcat Skid Steer Loader
A300
S/N 523411001 & Above
S/N 523511001 & Above
Contents
Air Cleaner
Air Cleaner Service
Alternator
Air Conditioning Service
Air Conditioning System Flow
Aws Controller
Basic Troubleshooting
Battery
Bics System
Blower Fan
Bobcat Controller
Bobcat Interlock
Control System (Bics)
BobTach
Brake
Bucket Position Valve
Chaincase
Charge Pressure
Control
Components
Compressor
Condenser
Control Panel
Conversions
Cooling Fan
Cylinder
Diagnostics Service Codes
Drive Belt
Drive Components
Electrical/Hydraulic Controls Reference
Electrical System Information
Engine
Engine Cooling System
Engine Lubrication System
Engine Specifications
Engine Speed Control
Evaporator
Evaporator/Heater Unit
Expansion Valve
Fan Gearbox
Final Drive Transmission (Chaincase)
Flywheel And Housing
Front Auxiliary Hydraulic Coupler Block
Fuel System
Fuel Tank
Heater Coil
Heater Valve
Hub
Hydraulic Connection
Hydraulic Control Valve
Hydraulic Fluid Reservoir
Hydraulic Fluid Specifications
Hydraulic/Hydrostatic Filter
Hydraulic/Hydrostatic System
Hydraulic Pump
Hydraulic System Information
Hydrostatic Motor
Hydrostatic Motor Carrier
Hydrostatic Pump
Hydrostatic System Information
General Air Conditioning Service Guidelines
Inside Access Panel
Instrument Panel
Lift Arms
Lift Arm ByPass Control Valve
Lift Arm Support Device
Lift And Tilt Actuator Calibration
Lifting And Blocking The Loader
Lights
Loader Specifications
Lubricating The Loader
Main Relief Valve
Muffler
Oil Cooler (Snap To Connect) (Stc)
Operator Cab
Operator Seat
Power BobTach
Power BobTach Block
Pressure Relief Valve
Pressure Switch
Radiator
Rear Auxiliary Diverter Valve
Rear Door
Rear Grill
Receiver/Drier
Reconditioning The Engine
Regular Maintenance
Remote Start
Rpm Sensor
Safety
Seat Bar
Seat Bar Sensor
Select Valve
Service Pc (Laptop Computer)
Service Schedule
Speed Sensor
Starter
Steering Block
Steering Solenoid
System Charging And Reclamation
System Troubleshooting Chart
Temperature/Pressure
Thermostat
Tire Maintenance
Torque Specifications For Bolts
Towing The Loader
Traction Lock
Transporting The Bobcat Loader
Troubleshooting
Wheel Position Sensors
What you get
You will receive PDF file with high-quality manual on your email immediately after the payment.






