Description
Repair Manual For Bobcat 873 Skid Steer Loader. Illustrations, instructions, diagrams for step by step remove and install, assembly and disassembly, service, maintenance, inspection, repair, troubleshooting, tune-up.
Format: PDF
Language: English
Pages: 602
Issued: july 2010
Bookmarks: Yes
Searchable: Yes
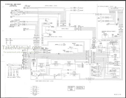
Wiring Diagrams: Yes
Hydraulic Diagrams: Yes
Model
Bobcat Skid Steer Loader
873
S/N 514115001 & Above
S/N 514213001 & Above
Contents
Actuators
Actuator Voltage Test
AHC Components
AHC/Pwm Controller
AHC Handle
AHC Steering Lever
Air Cleaner Housing
Air Cleaner Service
Alternator
Alternator Belt
Axle, Sprocket And Bearings
Axle Seal
Battery
Bics System Controller
Bics Valve
Blower Fan
Blower Housing/Fan Gearbox
Bobcat Interlock
Control System (Bics)
BobTach
Boss Diagnostic Tool
Boss Instrument Panel
Brake Disc
Camshaft Bearing
Chaincase Fluid
Connecting Rod
Connecting Rod Guide Bushing
Control Valve
Crankshaft
Crankshaft Gear Mounting Bolt
Cylinder Liners
Cylinder Head
Decimal & Millimeter Equivalents
Drive Belt
Drive Belt Shield
Drive Belt Tensioner Pulley
Drive Chain
Duetz Engine Tools
Electrical/Hydraulic Controls Reference
Electrical System Information
Engine
Engine Mounts
Engine Cooling System
Engine Lubrication System
Engine Muffler
Engine Specifications
Engine Speed Control
Engine Torque
Fan Drive Tension Pulley
Fan Gearbox
Final Drive Transmission (Chaincase)
Flywheel
Flywheel Housing
Front Chaincase Cover
Front Cover
Front Lights
Front Side Panel
Fuel Injector
Fuel Injection Pump
Fuel System
Fuel Tank
Glow Plugs
Hydraulic Connection Specifications
Hydraulic Control Valve (Ahc
Hydraulic Cylinder
Hydraulic Filter Housing
Hydraulic Fluid Reservoir
Hydraulic/Hydrostatic Fluid Specifications
Hydraulic/Hydrostatic System
Hydraulic/Hydrostatic Bracket
Hydraulic/Hydrostatic Housing
Hydraulic Pump
Hydraulic System Information
Hydrostatic Motor
Hydrostatic Pump
Hydrostatic System Information
Lift Arm Link
Lift Arms
Lift Arm ByPass Control Valve
Lift Arm Stabilizer Bar
Lift Arm Support Device
Lift Cylinder(S)
Lift Lock ByPass Valve
Lifting And Blocking The Loader
Loader Specifications
Lubrication Of The Bobcat Loader
Main Relief Valve
Monitor Service Codes
Motor Carrier
Oil Cooler
Oil Pump
Operator Cab
Operator Cab Gas Cylinder
Operator Seat
Operation Sensing System Unit
Pwm Control Handle
Pwm Electric Solenoid
Pwm Module
Pwm Troubleshooting
Parking Brake Pedal
Pedal Interlock Linkage
Piston And Connecting Rod
Positive Crankcase Ventilation System
Rear Auxiliary Converter
Rear Chaincase Cover
Rear Cover Seal
Rear Door
Rear Grill
Reconditioning The Engine
Relay Switches
Remote Start Switch
Rocker Arm And Shaft
Rpm Sensor
Seat Bar
Seat Bar Restraint System
Seat Bar Sensor
Seat Sensor
Sender And Sensor
Service Schedule
Spring Loaded Drive Belt Tensioner Pulley
Standard Instrument Panel
Starter
Stopping The Bobcat Loader
Steering Levers
Steering Linkage
Switch Handle
Tilt Cylinder
Tilt Lock Valve
Timing Belt
Tire Maintenance
Torque Specifications For Bolts
Torque Specifications For Loader
Towing The Loader
Traction Lock
Traction Lock Control System
Transporting The Loader
Troubleshooting
The Boss & LCD Display
US To Metric Conversion
Valve Clearance
Valve Timing
Water Pump
What you get
You will receive PDF file with high-quality manual on your email immediately after the payment.






