Description
Repair Manual For Bobcat 873, 883 Skid Steer Loader. Illustrations, instructions, diagrams for step by step remove and install, assembly and disassembly, service, maintenance, inspection, repair, troubleshooting, tune-up.
Format: PDF
Language: English
Pages: 921
Issued: july 2010
Bookmarks: Yes
Searchable: Yes
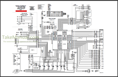
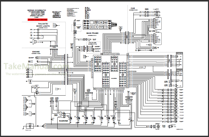
Wiring Diagrams: Yes
Hydraulic Diagrams: Yes
Model
Bobcat Skid Steer Loader
873
883
S/N 514140001 & Above
S/N 514240001 & Above
S/N 517911001 & Above
S/N 520111001 & Above
S/N 520211001 & Above
Contents
Advanced Control System (Acs)
Advanced Hand Control
Air Cleaner
Air Cleaner Service
Air Conditioning Service
Air Conditioning System Flow
Alternator
Auxiliary Pressure Release (Accumulator)
Basic Troubleshooting
Battery
Bics System
BobTach
Bobcat Controller
Blower Fan
Brake
Bucket Position Valve
Chaincase
Charge Pressure
Components
Compressor
Condenser
Control Handle
Control Panel
Control Pedals
Control Pedals (ACS)
Cooling Fan
Conversions
Cylinder
Diagnostics
Drive Components
Drive Belt
Electrical / Hydraulic Controls Reference
Engine
Engine Components And Testing
Engine Cooling System
Engine Lubrication System
Engine Specifications Spec
Engine Speed Control
Evaporator
Evaporator / Heater Unit
Expansion Valve
Fan Gearbox
Final Drive Transmission Chaincase
Flywheel And Housing
Fuel System
Fuel Tank
General Air Conditioning Service Guidelines
Heater Coil
Heater Valve
Hydraulic Connection Specs
Hydraulic Control Valve
Hydraulic Fluid Reservoir
Hydraulic Pump
Hydraulic System Information
Hydraulic / Hydrostatic Filter
Hydraulic / Hydrostatic Fluid Specifications
Hydraulic / Hydrostatic System
Hydrostatic Motor
Hydrostatic Pump
Hydrostatic System Information
Instrument Panel
Lift Arm
Lift Arms
Lifting And Blocking The Loader
Lights
Loader Specifications
Loader Torque Spec
Lubrication Of The Bobcat Loader
Main Relief Valve
Muffler
Oil Cooler
Operator Cab
Operator Seat
Power BobTach
Power BobTach Block
Pressure Relief Valve
Pressure Switch
Radiator
Rear Auxiliary Diverter Valve (Single Shuttle)
Rear Door
Rear Grill
Receiver / Drier
Reconditioning The Engine
Regular Maintenance
Remote Start
Rpm Sensor
Safety
Seat Bar
Seat Bar Sensor
Select Valve
Service Schedule
Starter
System Charging And Reclamation
System Troubleshooting Chart
Temperature / Pressure
Thermostat
Tire Maintenance
Torque Specifications For Bolts Spec
Towing The Loader
Traction Lock
Transporting The Bobcat Loader
Troubleshooting
What you get
You will receive PDF file with high-quality manual on your email immediately after the payment.






