Description
Repair Manual For Bobcat 864 Skid Steer Loader. Illustrations, instructions, diagrams for step by step remove and install, assembly and disassembly, service, maintenance, inspection, repair, troubleshooting, tune-up.
Format: PDF
Language: English
Pages: 809
Issued: july 2010
Bookmarks: Yes
Searchable: Yes
Wiring Diagrams: Yes
Hydraulic Diagrams: Yes
Model
Bobcat Skid Steer Loader
864
S/N 518911001 – 518914999
S/N 516811001 – 516814999
S/N 517511001 – 517514999
Contents
Ahc System
Air Cleaner
Air Cleaner Service
Air Conditioning Service
Air Conditioning System Flow
Alternator
Auxiliary Pressure Release (Accumulator)
Basic Troubleshooting
Battery
Bobcat Controller
Bobcat Interlock Control System (Bicsโข)
BobTach
Brake
Bucket Position Valve
Charge Pressure
Cooling Fan
Components
Compressor
Condenser
Control Panel
Controls
Conversions Spec
Cylinder(S)
Diagnostics
Drive Belt
Drive Components
Electrical
Electrical/Hyd Controls Reference
Electrical System Information
Engine & Engine Mounts
Engine Components & Testing
Engine Cooling System
Engine Lubrication System
Engine Specifications
Engine Speed Control
Fan Gearbox
Flywheel And Housing
Fuel System
Fuel Tank
General Air Conditioning Service
Guidelines
Heater/Ac Fan
Heater Coil
Heater Valve
Hydraulic Connection Specs
Hydraulic Control Valve
Hydraulic Fluid Reservoir
Hydraulic/Hydrostatic Filter
Hydraulic/Hydrostatic Fluid
Specifications
Hydraulic Hydrostatic System
Hydraulic Pump
Hydraulic System Information
Hydrostatic Motor
Hydrostatic Pump
Hydrostatic System Information
Instrument Panel
Lift Arms
Lift Arm Support Device
Lift Lock Bypass Control Valve
Lifting And Blocking The Loader
Lights
Loader Specifications
Loader Torque
Lubricating The Loader
Main Relief Valve
Muffler
Power BobTach (Option)
Power BobTach Block
Pressure Relief Valve
Pressure Switch
Radiator
Rear Auxiliary Diverter
Rear Door
Rear Grill
Receiver/Drier
Recommended Service Tools
Reconditioning The Engine
Regular Maintenance
Remote Start
Safety
Seat Bar
Seat Bar Sensor
Select Valve
Service Schedule
Standard Torque Specifications For Bolts
Starter
Steering
System Charging And Reclamation
System Troubleshooting Chart
Temperature/Pressure
The Evaporator
The Evaporator/Heater Unit
The Expansion Valve
Thermostat
Torque Specifications For Bolts
Towing The Loader
Traction Lock
Transporting The Loader
Troubleshooting
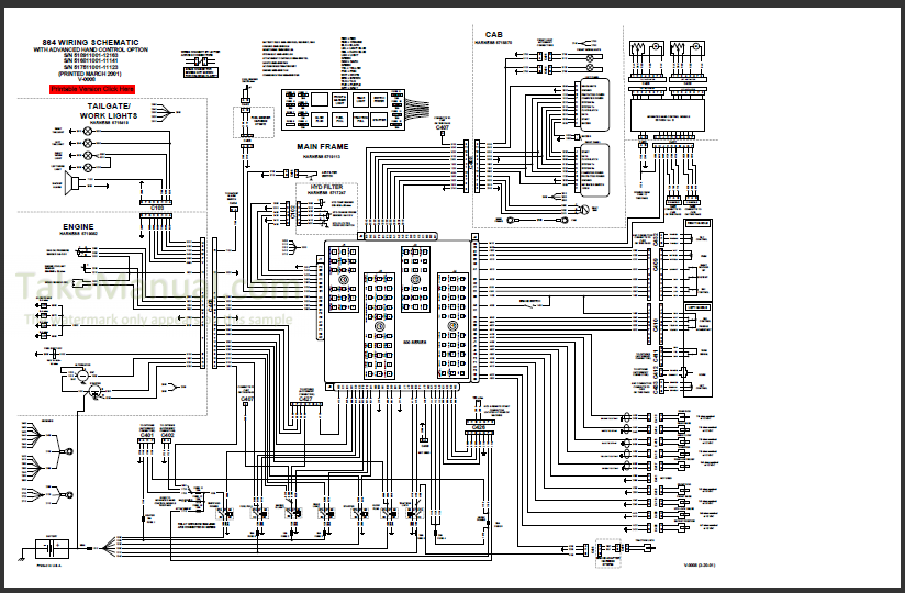
Wiring Schematics
What you get
You will receive PDF file with high-quality manual on your email immediately after the payment.






