Description
Repair Manual For Bobcat 753 Skid Steer Loader. Illustrations, instructions, diagrams for step by step remove and install, assembly and disassembly, service, maintenance, inspection, repair, troubleshooting, tune-up.
Format: PDF
Language: English
Pages: 723
Issued: september 2010
Bookmarks: Yes
Searchable: Yes
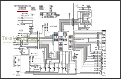
Wiring Diagrams: Yes
Hydraulic Diagrams: Yes
Model
Bobcat Skid Steer Loader
753
S/N 515830001 & Above
S/N 516220001 & Above
Contents
Advanced Control System (Acs)
Advanced Hand Control
Advanced Control System (Acs) Selectable Hand/Foot Control
Air Cleaner Service
Alternator
Basic Troubleshooting
Battery
Bics System
Bobcat Controller
Bobcat Interlock Control System (Bics)
BobTach
Brake
Bucket Position Valve
Chaincase
Charge Pressure
Components
Control Handle
Control Handle
Control Panel
Control Pedals
Conversions
Cooling Fan
Cylinder (Lift)
Cylinder (Power BobTach)
Cylinder (Tilt)
Diagnostics
Drive Belt
Drive Components
Electrical/Hyd Controls Reference
Electrical System Information
Engine
Engine Components And Testing
Engine Cooling System
Engine Lubrication System
Engine Specifications
Engine Speed Control
Fan Gearbox
Final Drive Transmission (Chaincase)
Flywheel And Housing
Front Auxiliary Hydraulic Coupler Block
Front Auxiliary Pressure
Relief Block
Fuel System
Fuel Tank
Heater Unit
Heater Coil
Heater Fan
Heater Valve
Hydraulic Connection Specs
Hydraulic Control Valve
Hydraulic Fluid Reservoir
Hydraulic/Hydrostatic Filter
Hydraulic Fluid Specifications
Hydraulic/Hydrostatic System
Hydraulic Pump (Aluminum)
Hydraulic System Information
Hydraulic Pump (Aluminum)
Hydrostatic Motor
Hydrostatic Pump
Hydrostatic System Information
Instrument Panel
Lift Arm
Lift Arm ByPass Control Valve
Lift Arm Support Device
Lifting And Blocking The Loader
Lights
Loader Specifications
Lubrication Of The Bobcat Loader
Main Relief Valve
Muffler
Oil Cooler
Operator Cab
Operator Seat
Operator Seat (Suspension)
Power BobTach
Power BobTach Block
Radiator
Rear Auxiliary Diverter Valve
Rear Door
Rear Grill
Reconditioning The Engine
Regular Maintenance
Remote Start
Rpm Sensor
Seat Bar
Seat Bar Sensor
Select Valve
Service Schedule
Spark Arrestor Muffler
Starter (Nippondenso)
Starter (Valeo)
System Troubleshooting Chart
Tire Maintenance
Torque Specifications For Bolts
Towing The Loader
Traction Lock
Transporting The Loader
Troubleshooting
What you get
You will receive PDF file with high-quality manual on your email immediately after the payment.






