Description
Repair Manual For Bobcat 442 Excavator. Illustrations, instructions, diagrams for step by step remove and install, assembly and disassembly, service, maintenance, inspection, repair, troubleshooting, tune-ups.
Format: PDF
Language: English
Pages: 1259
Issued: may 2010
Bookmarks: Yes
Searchable: Yes
Wiring Diagrams: Yes
Hydraulic Diagrams: Yes
Model
Bobcat Excavator
442
S/N 522311001 & Above
S/N 528911001 & Above
S/N 528611001 & Above
Contents
Accumulator
Air Cleaner
Air Conditioning Compressor Belt
Air Conditioning Service
Air Conditioning System Flow
Alternator
Alternator Belt
Arm
Arm Cylinder
Auxiliary Hydraulic Flow Control/Hydraulic Breaker Application Valve
Auxiliary Hydraulic Flow Control Valve
Auxiliary Hydraulics Selector Valve
Basic Troubleshooting
Battery
Battery Disconnect Switch
Blade
Blade Cylinder
Blade Float Valve
Blade Valve
Boom
Boom Cylinder
Boom Load Holding Valve
Boom Offset Cylinder
Boom Offset Valve
Bucket
Bucket Cylinder
Cab
Cab Tilt Procedure
Components
Compressor
Condenser
Control Levers
Conversions
Cooling System
Counter Weight
Dump Valve
Electrical System Information
Engine
Engine Bolt Torque
Engine Components And Testing
Engine Lubrication System
Engine Specifications
Engine Speed Control
Evaporator/Heater Unit
Excavator Bolt Torque
Expansion Valve
Fan/Fuel Pump Belt
Floormat
Flywheel
Fresh Air Filter
Front Cab Light
Fuel Coolant And Lubricants
Fuel Level Sender
Fuel System
Fuel Tank
General Air Conditioning Service
Guidelines
Grease Cylinder
Heater/Ac Fan
Heater Coil/Evaporator
Heater Valve
Horn
Hydraulic Breaker Application Valve
Hydraulic Excavator Specifications
Hydraulic Filter Mount
Hydraulic Fluid Specifications
Hydraulic Gear Pump
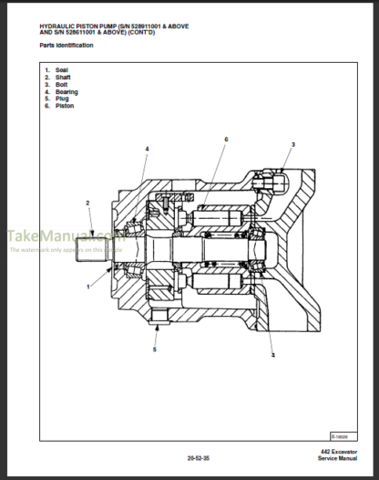
Hydraulic Piston Pump
Hydraulic Piston Pump Drive Coupler
Hydraulic Reservoir
Hydraulic System
Hydraulic System Information
Instrument Panel
Joystick Control Pattern Selector
Valve
Joystick Lockout/Two Speed Valve
Left Console
Left Control Lever (Joystick)
Lifting And Blocking The Excavator
Lifting The Excavator
Lower Track Roller
Lubrication Of The Excavator
Muffler
Oil Cooler
Oil Temperature Regulator
Operator Cab
Port Relief Valves
Pressure Reducing Valve
Pressure Switch
Radiator/Oil Cooler
Rear Cover,
Receiver/Dryer
Reconditioning The Engine
Regular Maintenance
Relief Valves
Right Console
Right Control Lever (Joystick)
Right Side Cover ,
Safety
Seat And Seat Mount
Secondary Front Auxiliary Valve
Service Schedule
Six Spool Hydraulic Control Valve
Starter
Swing Brake Release Valve
Swing Brake Valve
Swing Frame
Swing Motor
Swing Motor Drive Carrier
Swivel Joint
System Charging And Reclamation
System Troubleshooting Chart
Temperature/Pressure
Thermostat
Three Spool Hydraulic Control Valve
Torque Specifications For Bolts
Track Damage Identification
Track Frame
Track Idler
Tracks
Transporting The Excavator
Travel Lever/Foot Pedal Valve
Travel Motor,
Troubleshooting
Two Speed Switch
Upper Track Roller
Upperstructure
Upgraded Air Conditioning System
Wiper Motor
What you get
You will receive PDF file with high-quality manual on your email immediately after the payment.





