Description
Repair Manual For Bobcat 425, 428 Compact Excavator. Illustrations, instructions, diagrams for step by step remove and install, assembly and disassembly, service, maintenance, inspection, repair, troubleshooting, tune-ups.
Format: PDF
Language: English
Pages: 744
Issued: may 2009
Bookmarks: Yes
Searchable: Yes
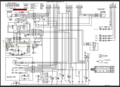
Wiring Diagrams: Yes
Hydraulic Diagrams: Yes
Model
Bobcat Compact Excavator
425
428
S/N AACJ11001 & Above
S/N A9K311001 & Above
S/N A9K411001 & Above
Contents
Air Cleaner
Air Cleaner Service
Alternator
Alternator Belt
Arm
Arm Cylinder
Battery
Blade
Blade Control
Blade Cylinder
Blower Fan
Boom
Boom Cylinder
Boom Swing Cylinder
Boom Swing Pedal
Bucket
Bucket Cylinder
Cab
Camshaft And Timing Gears
Canopy
Case Drain Filter
Clamp
Clamp Cylinder
Conversions
Control Pattern Selector Valve
Counterweight
Crankshaft And Pistons
Crossport Relief Valves
Cylinder Head
Diagnostics Service Codes
Direct To Tank Valve
Electrical System Information
Engine Cooling System,
Engine Information
Engine Lubrication System
Engine Speed Control
Excavator Specifications
Excavator Storage And Return To Service
Floor Mat And Floor Panels
Flywheel And Housing
Fuel Level Sender
Fuel System
Fuel Tank
Heater Coil
Heater System
Heater Unit
Heater Valve
Horn
Hydraulic Control Valve
Hydraulic Connection Specs
Hydraulic Fluid Specifications
Hydraulic Filter
Hydraulic Pump
Hydraulic Reservoir
Hydraulic System
Hydraulic System Information
Hydraulic XChange Valve
Left Control Lever (Joystick)
Left Console
Left Side Cover
Lifting And Blocking The Excavator
Lifting The Excavator
Lights
Lubrication System
Lubricating The Excavator
Magnetic Lockout Sensor
Main Relief Valve
Manifold Assembly / Accumulator
Motion Alarm System (If Equipped)
NonPressurized Accumulator
Oil Cooler
Operator Cab (Rops/Tops)
Pivot Pins
Port Relief Valves
Pressure Reducing Valve
Regular Maintenance
Right Control Lever (Joystick)
Right Console
Right Side Cover
Seat And Seat Mount
Seat Belt
Service Schedule
Slew Lock Valve
Spark Arrestor Muffler,
Starter
Stopping The Engine And Leaving The Excavator
Swing Circle Gear
Swing Frame
Swing Motor
Swing Motor Drive Carrier
Swivel Joint
Tailgate
Torque Specifications For Bolts
Track Frame Components
Transporting The Excavator On A Trailer
Travel Lever / Pedals
Travel Motor
Troubleshooting
Upperstructure
Upperstructure Slew Lock
XChange
XChange (Hydraulic)
What you get
You will receive PDF file with high-quality manual on your email immediately after the payment.





