Description
Repair Manual For Bobcat 418 Compact Excavator. Illustrations, instructions, diagrams for step by step remove and install, assembly and disassembly, service, maintenance, inspection, repair, troubleshooting, tune-ups.
Format: PDF
Language: English
Pages: 595
Issued: october 2010
Bookmarks: Yes
Searchable: Yes
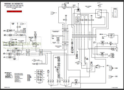
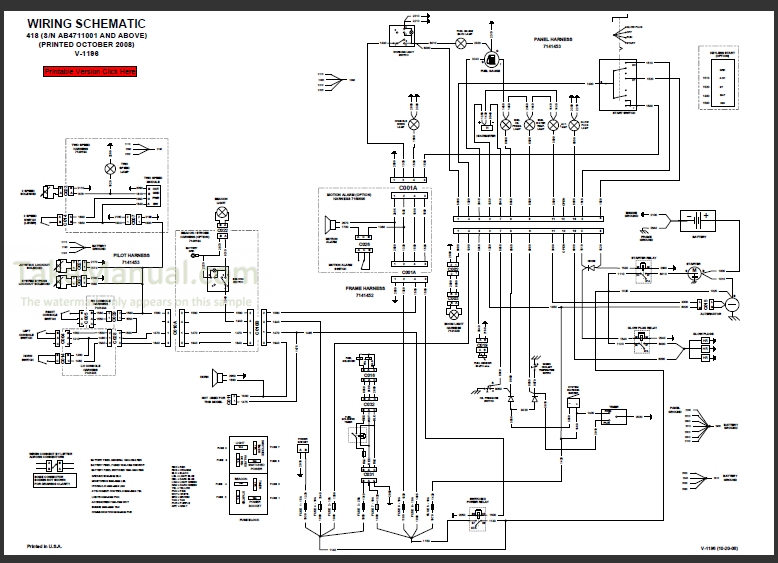
Wiring Diagrams: Yes
Hydraulic Diagrams: Yes
Model
Bobcat Compact Excavator
418
S/N AB4711001 & Above
Contents
Air Cleaner
Alternator
Alternator Belt
Arm
Arm Cylinder
Battery
Blade
Blade Control
Blade Cylinder
Boom
Boom Cylinder
Boom Swing Cylinder
Bucket
Bucket Cylinder
BuildUp Valve
Control Console Lockouts
Control Pattern Selector Valve
Conversions Spec
Cooling System
Counter Weights
Electrical System Information
Engine
Engine Components And Testing
Engine Flywheel And Housing
Engine Lubrication System
Engine Specifications
Engine Speed Control
Excavator Storage & Return To Service
Floor Panels
FoldDown Tops
Fuel Level Sender
Fuel System
Fuel Tank
Horn
Hydraulic Connection
Specifications
Hydraulic Control Valve
Hydraulic Filter
Hydraulic Fluid Specifications
Hydraulic Pump
Hydraulic Reservoir
Hydraulic System
Hydraulic System Information
Instrument Panel
Left Console
Left Control Lever (Joystick)
Left Pedal
Lifting And Blocking The Excavator
Lifting The Excavator
Lights
Lubrication Of The Hyd Excavator
Main Relief Valve
Manifold Assembly / Accumulator
Microswitch
Motion Alarm
Oil Cooler
Port Relief Valves
Pressure Reducing Valve
Radiator
Reconditioning The Engine
Right Console
Right Control Lever (Joystick)
Right Pedal
Seat And Seat Mount
Seat Belt
Service Schedule
Side Panels
Spark Arrestor Muffler
Specifications 418 Excavator
Starter
Stopping The Engine And Leaving The Excavator
Swing Circle Gear
Swing Frame
Swing Motor
Swivel Joint
Tailgate
Tops
Torque Specifications For Bolts
Track Damage Identification
Track Expand Valve
Track Frame
Track Frame Expansion Cylinder
Track Idler
Track Roller
Tracks
Transporting The Excavator
Travel Controls
Travel Motor
Troubleshooting
TwoSpeed Control Valve
Upperstructure
Upperstructure Slew Lock
What you get
You will receive PDF file with high-quality manual on your email immediately after the payment.





