Description
Repair Manual For Bobcat 3400 Utility Vehicle. Illustrations, instructions, diagrams for step by step remove and install, assembly and disassembly, service, maintenance, inspection, repair, troubleshooting, tune-up.
Format: PDF
Language: English
Pages: 469
Issued: april 2011
Bookmarks: Yes
Searchable: Yes
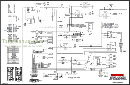
Wiring Diagrams: Yes
Hydraulic Diagrams: Yes
Model
Bobcat Utility Vehicle
3400
3400XL
S/N AJNU11001 & Above
S/N AJNW11001 & Above
Contents
Utility Vehicle Specifications
Air Cleaner Service
Air Cleaner
Backup Alarm System (If Equipped)
Battery
Brake
Bumper Cover
Camshaft And Timing Gears
Cargo Box
Charging System
Continuous Variable Transmission
Control Arms
Conversions
Crankshaft And Pistons
Cylinder Head
Dash
Delivery Report
Differential Solenoid
Drive Belt
Electrical System Information
Engine Cooling System
Engine Information
Engine Lubrication System
Fender
Final Drive
Fire Prevention
Foreword
Fuel System
Fuel Tank
Gearcase
Hourmeter
Lifting And Blocking The Utility Vehicle
Lights
Lubrication System
Maintenance Safety
Muffler
Oil Pressure Sensor
Operator Seat
Rear Stabilizer Bar / Linkage
Roll Over Protective Structure
Safety Instructions
Serial Number Locations
Service Manual Revision
Service Schedule
Shocks
Spark Arrester Muffler
Speed Sensors
Starter System
Steering Box
Steering Column
Stop Solenoid
Stopping The Engine And Leaving The Utility Vehicle
Strut
Switch
Tailgate
Temperature Sensor
Throttle System
Tie Rod
Tire Maintenance
Torque Specifications For Bolts
Towing The Utility Vehicle
Transporting The Utility Vehicle On A Trailer
Utility Vehicle Identification
Utility Vehicle Storage And Return To Service
Vehicle Control Module
What you get
You will receive PDF file with high-quality manual on your email immediately after the payment.



