Description
Repair Manual For Bobcat 335 Compact Excavator. Illustrations, instructions, diagrams for step by step remove and install, assembly and disassembly, service, maintenance, inspection, repair, troubleshooting, tune-ups.
Format: PDF
Language: English
Pages: 952
Issued: may 2010
Bookmarks: Yes
Searchable: Yes
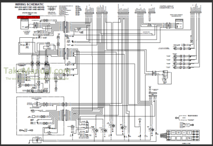
Wiring Diagrams: Yes
Hydraulic Diagrams: Yes
Model
Bobcat Compact Excavator
335
S/N AAD111001 & Above
S/N A9KA11001 & Above
Contents
Accessory Drive Belt
Air Cleaner
Air Cleaner Service
Air Conditioning System Flow
Alternator
Angle Blade
Blade Assembly
Angle Blade Cutting Edge
Angle Blade Cylinder
Angle Blade Valve
Arm
Arm Cylinder
Battery
Blade
Blade Control
Blade Cylinder
Blower Fan
Boom
Boom Cylinder
Boom Swing Cylinder
Boom Swing Lock Valve
Boom Swing Pedal
Bucket
Bucket Cylinder
Cab
Camshaft And Timing Gears
Canopy
Case Drain Filter
Compressor
Condensor
Conversions
Control Pattern Selector Valve
Crankshaft And Pistons
Cross Port Relief Valves
Cylinder Head
Diagnostics Service Codes
Direct To Tank Valve
Electrical System Information
Engine Cooling System
Engine Information
Engine Lubrication System
Engine Speed Control
Evaporator Coil
Evaporator/Heater Unit
Evaporator Specifications Spec
Excavator Storage And Return To Service
Expansion Valve
Fan
Floormat And Floor Panel
Fuel Level Sender
Fuel System,
Fuel Tank
Flywheel And Housing
Heater Coil
Heater Valve
Horn
Hydraulic Control Valve
Hydraulic Connection
Specifications
Hydraulic Fluid Specifications
Hydraulic Filter
Hydraulic Pump
Hydraulic Pump StartUp
Hydraulic Reservoir
Hydraulic System
Hydraulic System Information
Hydraulic XChange Valve
Left Control Lever (Joystick)
Left Console
Lifting And Blocking The Excavator
Lifting The Excavator
Lights
Lubricating The Excavator
Lubrication System
Magnetic Lockout Sensor
Main Relief Valve
Manifold Assembly/Accumulator
Oil Cooler
Operator Cab (Rops/Tops)
Pivot Pins
Port Relief Valves
Pressure Reducing Valve
Receiver/Drier
Regular Maintenance
Right Control Lever (Joystick)
Right Console
Right Side Cover
Safety
Seat And Seat Mount
Seat Belt
Service Schedule
Slew Lock Valve
Spark Arrestor Muffler,
Starter
Stopping The Engine And Leaving The Excavator
Swing Circle Gear
Swing Frame
Swing Motor
Swing Motor Drive Carrier
Swivel Joint
System Charging And Reclamation
Tailgate
Thermostat
Torque Specifications For Bolts
Track Frame Components
Transporting The Excavator On A Trailer
Travel Control Valve
Travel Lever/Pedals
Travel Motor
Troubleshooting
Upperstructure
Upperstructure Slew Lock ,
XChange
XChange (Hydraulic)
What you get
You will receive PDF file with high-quality manual on your email immediately after the payment.






